| Status de disponibilidade: | |
|---|---|
| Quantidade: | |
Máquina formadora de rolos de costura em pé
A máquina para telhado de metal com costura vertical tem diferentes tipos que são usados em conjunto com chapa ondulada e chapa IBR, ou chapa de telha esmaltada, selflock
máquina de telhado.A folha é amplamente utilizada em muitos tipos de fábricas industriais, edifícios civis e placas de telhado para produtos de peças anexadas.
tem a vantagem de uma aparência bonita, uso durável e assim por diante.
Especificação:
Não. | Item | Unidade | |
1. | Material de processamento | PPGI | |
2. | Tipo de perfil | Como cliente’pedido | |
3. | Espessura da bobina de alimentação | milímetros | 0,4-0,8 |
4. | Sim | M pai | 300 - 650 |
5. | Material de eixo sólido | Tratamento de têmpera e revenimento de aço 45# de alta qualidade | |
6. | Diâmetro do eixometro | milímetros | 70 |
7. | Estação de rolagem | Não. | 20 |
8. | Material de rolamento | 45#Aço | |
9. | Tratamento de rolo | milímetros | Cromado duro revestido 0,05 - 0,08 |
10. | Velocidade da linha | Cerca de 12-15 m/min | |
11. | Tipo de acionamento da máquina perfiladeira | Corrente | |
12. | Potência do motor principal | kw | 7.5 |
Máquina de corte | |||
13. | Tipo | Corte Hidráulico controlado por PLC | |
14. | Capacidade de espessura | milímetros | 0,4-0,8 |
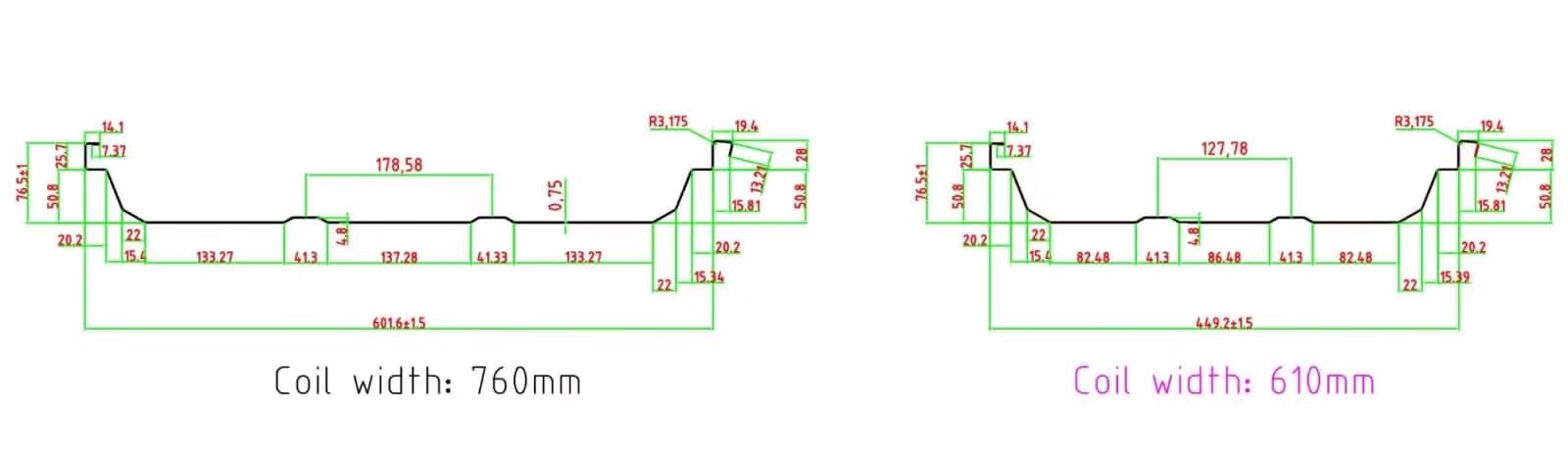
15. | Capacidade de largura | milímetros | Como desenho |
16. | Classe de aço da lâmina de corte | Cr12, têmpera | |
17. | Dureza | 58-62 HRC | |
18. | Tolerância de corte | milímetros | +/- 1 |
Unidade de controle | |||
19. | Tipo | Controlado por CLP | |
20. | Marca CLP | Delta | |
21. | Potência do conversor de frequência | kw | 4 |
22. | Dimensão da máquina | Cerca de 9m*0,9m*1,2m | |
23. | Peso | kg | 4500 |
24. | Área de trabalho | m | 20*3 |
25. | Tensão | 3800 V, 50 Hz, trifásico | |
Combinação de máquina de dobra hidráulica com costura permanente:
É possível ajustar o ângulo pelo PLC e pode dobrar para folhas longas, porque a máquina pode girar para baixo.
Máquina de costura automática:
Máquina formadora de rolos de costura em pé
A máquina para telhado de metal com costura vertical tem diferentes tipos que são usados em conjunto com chapa ondulada e chapa IBR, ou chapa de telha esmaltada, selflock
máquina de telhado.A folha é amplamente utilizada em muitos tipos de fábricas industriais, edifícios civis e placas de telhado para produtos de peças anexadas.
tem a vantagem de uma aparência bonita, uso durável e assim por diante.
Especificação:
Não. | Item | Unidade | |
1. | Material de processamento | PPGI | |
2. | Tipo de perfil | Como cliente’pedido | |
3. | Espessura da bobina de alimentação | milímetros | 0,4-0,8 |
4. | Sim | M pai | 300 - 650 |
5. | Material de eixo sólido | Tratamento de têmpera e revenimento de aço 45# de alta qualidade | |
6. | Diâmetro do eixometro | milímetros | 70 |
7. | Estação de rolagem | Não. | 20 |
8. | Material de rolamento | 45#Aço | |
9. | Tratamento de rolo | milímetros | Cromado duro revestido 0,05 - 0,08 |
10. | Velocidade da linha | Cerca de 12-15 m/min | |
11. | Tipo de acionamento da máquina perfiladeira | Corrente | |
12. | Potência do motor principal | kw | 7.5 |
Máquina de corte | |||
13. | Tipo | Corte Hidráulico controlado por PLC | |
14. | Capacidade de espessura | milímetros | 0,4-0,8 |
15. | Capacidade de largura | milímetros | Como desenho |
16. | Classe de aço da lâmina de corte | Cr12, têmpera | |
17. | Dureza | 58-62 HRC | |
18. | Tolerância de corte | milímetros | +/- 1 |
Unidade de controle | |||
19. | Tipo | Controlado por CLP | |
20. | Marca CLP | Delta | |
21. | Potência do conversor de frequência | kw | 4 |
22. | Dimensão da máquina | Cerca de 9m*0,9m*1,2m | |
23. | Peso | kg | 4500 |
24. | Área de trabalho | m | 20*3 |
25. | Tensão | 3800 V, 50 Hz, trifásico | |
Combinação de máquina de dobra hidráulica com costura permanente:
É possível ajustar o ângulo pelo PLC e pode dobrar para folhas longas, porque a máquina pode girar para baixo.
Máquina de costura automática:
