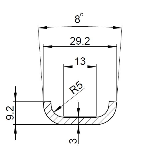
Perfil ZS-C
ZS-C Profile-001
| Status de disponibilidade: | |
|---|---|
| Quantidade: | |
Customizar Estrutura de estrutura de chapa metálica Perfil de aço especial laminado a frio formando máquina
A máquina perfiladeira a frio pode produzir vários tipos de perfis de aço para atender às necessidades do cliente, envie-nos seu desenho se tiver algum interessante.
Este projeto é uma estrutura de aço de motocicleta.
Este comprimento de corte de perfil é de 600 mm-900 mm, então usamos servo motor para melhorar a precisão.
Usamos estrutura de fundição para todas as estações, isso pode garantir que a máquina funcione de forma estável.
A espessura do material é de 3 mm, portanto, a máquina é acionada por caixa de engrenagens para que funcione com força.
O corte é controlado pelo sistema de bomba de óleo hidráulico:
Testamos a bobina e comparamos com o desenho para garantir que tudo atenda às necessidades do cliente.
Especificação:
Não. | Item | Unidade | |
Perfil C Máquina formadora de rolo | |||
1. | Material de processamento | Aço galvanizado | |
2. | Tipo de perfil | Como o pedido do cliente | |
3. | Espessura da bobina de alimentação | milímetros | 2,0-3,0 |
4. | Sim | M pa | 300 - 650 |
5. | Material de eixo sólido | Alto grau, aço 45#, Tratamento de têmpera e revenido | |
6. | Diâmetro do eixo | milímetros | 70 |
7. | Estação de rolagem | Não. | 6 |
8. | Material de rolamento | GCr15 | |
9. | Tratamento de rolo | milímetros | Cromado duro revestido 0,05 - 0.08 |
10. | Velocidade da linha | Cerca de 12-15m/min | |
11. | Tipo de acionamento de perfilagem Máquina | Caixa de velocidade | |
12. | Potência do motor principal | kw | 7.5 |
Corte Máquina | |||
13. | Tipo | Hidráulico controlado por PLC Corte | |
14. | Capacidade de espessura | milímetros | 2,0-3,0 |
15. | Capacidade de largura | milímetros | Como desenho |
16. | Classe de aço da lâmina de corte | Cr12, têmpera | |
17. | Dureza | 58-62 HRC | |
18. | Tolerância de corte | milímetros | +/- 1 |
Unidade de controle | |||
19. | Tipo | Controlado por CLP | |
20. | Marca CLP | Delta | |
21. | Conversor de frequência | Delta | |
22. | Potência do conversor de frequência | kw | 4 |
23. | Dimensão da máquina | Cerca de 3,5m*0,75m*1,4m | |
24. | Peso | kg | 2800 |
PERGUNTAS FREQUENTES:
Q1.Você tem suporte pós-venda?
A1: Sim, temos prazer em fornecer conselhos e também temos técnicos qualificados disponíveis em todo o mundo.
Q2.Você vende apenas máquinas padrão?
A2: Não, a maioria de nossas máquinas são construídas de acordo com as especificações dos clientes, utilizando componentes de marcas de primeira linha.
Q3.O que você fará se a máquina quebrar?
A3: Oferecemos 18 meses de garantia gratuita e suporte técnico gratuito para toda a vida útil de qualquer máquina.Se as peças quebradas não puderem
reparo, podemos enviar as peças novas para substituir as peças quebradas livremente, mas você precisa pagar o custo expresso sozinho.Se estiver além
o período de garantia, podemos negociar para resolver o problema, e fornecemos suporte técnico durante toda a vida útil do
equipamento.
Customizar Estrutura de estrutura de chapa metálica Perfil de aço especial laminado a frio formando máquina
A máquina perfiladeira a frio pode produzir vários tipos de perfis de aço para atender às necessidades do cliente, envie-nos seu desenho se tiver algum interessante.
Este projeto é uma estrutura de aço de motocicleta.
Este comprimento de corte de perfil é de 600 mm-900 mm, então usamos servo motor para melhorar a precisão.
Usamos estrutura de fundição para todas as estações, isso pode garantir que a máquina funcione de forma estável.
A espessura do material é de 3 mm, portanto, a máquina é acionada por caixa de engrenagens para que funcione com força.
O corte é controlado pelo sistema de bomba de óleo hidráulico:
Testamos a bobina e comparamos com o desenho para garantir que tudo atenda às necessidades do cliente.
Especificação:
Não. | Item | Unidade | |
Perfil C Máquina formadora de rolo | |||
1. | Material de processamento | Aço galvanizado | |
2. | Tipo de perfil | Como o pedido do cliente | |
3. | Espessura da bobina de alimentação | milímetros | 2,0-3,0 |
4. | Sim | M pa | 300 - 650 |
5. | Material de eixo sólido | Alto grau, aço 45#, Tratamento de têmpera e revenido | |
6. | Diâmetro do eixo | milímetros | 70 |
7. | Estação de rolagem | Não. | 6 |
8. | Material de rolamento | GCr15 | |
9. | Tratamento de rolo | milímetros | Cromado duro revestido 0,05 - 0.08 |
10. | Velocidade da linha | Cerca de 12-15m/min | |
11. | Tipo de acionamento de perfilagem Máquina | Caixa de velocidade | |
12. | Potência do motor principal | kw | 7.5 |
Corte Máquina | |||
13. | Tipo | Hidráulico controlado por PLC Corte | |
14. | Capacidade de espessura | milímetros | 2,0-3,0 |
15. | Capacidade de largura | milímetros | Como desenho |
16. | Classe de aço da lâmina de corte | Cr12, têmpera | |
17. | Dureza | 58-62 HRC | |
18. | Tolerância de corte | milímetros | +/- 1 |
Unidade de controle | |||
19. | Tipo | Controlado por CLP | |
20. | Marca CLP | Delta | |
21. | Conversor de frequência | Delta | |
22. | Potência do conversor de frequência | kw | 4 |
23. | Dimensão da máquina | Cerca de 3,5m*0,75m*1,4m | |
24. | Peso | kg | 2800 |
PERGUNTAS FREQUENTES:
Q1.Você tem suporte pós-venda?
A1: Sim, temos prazer em fornecer conselhos e também temos técnicos qualificados disponíveis em todo o mundo.
Q2.Você vende apenas máquinas padrão?
A2: Não, a maioria de nossas máquinas são construídas de acordo com as especificações dos clientes, utilizando componentes de marcas de primeira linha.
Q3.O que você fará se a máquina quebrar?
A3: Oferecemos 18 meses de garantia gratuita e suporte técnico gratuito para toda a vida útil de qualquer máquina.Se as peças quebradas não puderem
reparo, podemos enviar as peças novas para substituir as peças quebradas livremente, mas você precisa pagar o custo expresso sozinho.Se estiver além
o período de garantia, podemos negociar para resolver o problema, e fornecemos suporte técnico durante toda a vida útil do
equipamento.
